ПРОМСИТЕХ — российская компания, разработчик, производитель и дистрибьютор компонентов для промышленной автоматизации.

Описание

  • Описание
  • Отличительные особенности
  • Взрывозащита
  • Применение
  • Технические характеристики
  • Габариты
  • Схемы подключения
  • Документация

Трехфазные асинхронные электродвигатели INNOVARI серий EX/FX/TX во взрывозащищенном исполнении предназначены для привода механизмов в химической, газовой, нефтедобывающей и смежной отраслях промышленности, где есть взрывоопасные среды

Исполнение взрывозащиты по газу: 1Ex db IIC T4 Gb (температура нагрева электродвигателя не более 135 С)

Исполнение взрывозащиты по пыли: Ex tb IIIC T120°C Db (температура нагрева электродвигателя не более 120 С)

  • Наивысший уровень взрывозащиты (подгруппа С) по газу и пыли
  • Диапазон мощностей: 0,09-11,0 кВт
  • Обороты вращения: 900/1400/2800
  • Серии: EX, FX, TX
  • Варианты исполнения габарита электродвигателя: S, M, L
  • Отсутствие клемной коробки (серия FX), увеличенная клемная коробка (серия EX, TX)
  • Корпус алюминиевый неокрашенный
  • Модульная система: съемные фланцы и лапы (исполнение В3/В14/В34/В5/В35),
  • В конструкции специальные взрывобезопасные гермовводы: Bimed Tehnik (Турция)
  • 3 положения в пространстве для клемной коробки
  • 8 монтажных отверстий фланца
  • Встроенный датчик РТС
  • Пылевлагозащита: IP65 (132S/M-IP55)
  • Российские сертификаты соответствия взрывозащиты электродвигателей и кабельных вводов
  • Высокое качество производства, современная технология. Производитель: Турция
  • Наличие на складе в г. Москва.
  • Встроенный термистор PTC в габаритах 160 и выше
  • Исполнение взрывозащиты по газу: 1Ex db IIC T4 Gb (температура нагрева электродвигателя не более 135 С)
  • Исполнение взрывозащиты по пыли: Ex tb IIIC T120°C Db (температура нагрева электродвигателя не более 120 С)
  • Российский сертификат соответствия взрывозащиты электродвигателей № ЕАЭС RU С-TR.АЖ58.В.05211/24 (срок действия до 09/04/2029)
  • Российский сертификат соответствия взрывозащиты кабельных вводов № RU C-TR.AA87.B.01120/23 (срок действия до 28/05/2028)
  • предприятия нефтеперерабатывающей, газовой, химической, целлюлозно-бумажной, пищевой, текстильной, лакокрасочной промышленности;
  • предприятия, использующие газо- и нефтепродукты в качестве сырья или энергоносителей;
  • все виды транспорта перевозящие взрыво- и пожароопасные вещества, топливозаправочные станции, газо- и продуктопроводы;
  • а также цеха по приготовлению угольной пыли, древесной муки, сахарной пудры, мукомольные предприятия, лесопильные и деревообрабатывающие производства.

Характеристики

Значения

Исполнение взрывозащиты по газу

1Ex db IIC T4 Gb

Исполнение взрывозащиты по пыли

Ex tb IIIC T120°C Db

Температура окружающей среды˚С

от -30 до +40˚С.

Напряжение питания, В

230/400 (400/690)

Частота, Гц

50

Скорость вращения, об/мин

900/1400/2800

Класс изоляции обмоток

F (155ºС)

Режим работы

S1 (продолжительный)

Класс защиты

IP65

Исполнение фланца

B5/B14,  возможна поставка в комплекте с лапами B3

Применяемые подшипники

Подшипники качения

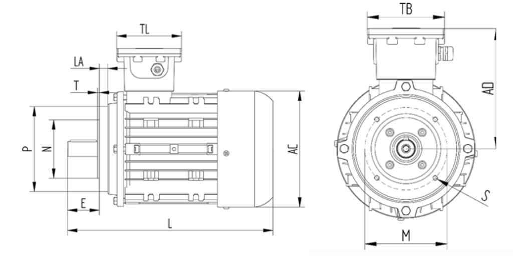
Серия IM B5

P

N

M

T

LA

S

AD

TB/TL

56

120

80

100

3.0

8.0

7.0

132

122

63

140

95

115

3.0

8.0

10.0

141

122

71

160

110

130

3.5

10.0

10.0

149

122

80

200

130

165

3.5

12.0

12.0

156

122

90S/L

200

130

165

3.5

13.8

12.0

164

122

100

250

180

215

4.0

16.0

13.0

174

122

112

250

180

215

4.0

16.0

13.0

190

122

132S/M

300

300

265

4.0

20.0

14.5

226

150

Серия IM B14

P

N

M

T

LA

S

AD

TB/TL

56

80

50

65

2,5

10.0

M5

132

122

63

90

60

75

2.5

10.5

M5

141

122

71

105

70

85

2.5

12.8

M6

149

122

80

120

80

100

3.0

13.0

M6

156

122

90S/L

140

95

115

3.0

13.0

M8

164

122

100

160

110

130

3.5

16.0

M8

174

122

112

160

110

130

3.5

16.0

M8

190

122

132S/M

200

130

165

3.5

20.0

M10

226

150

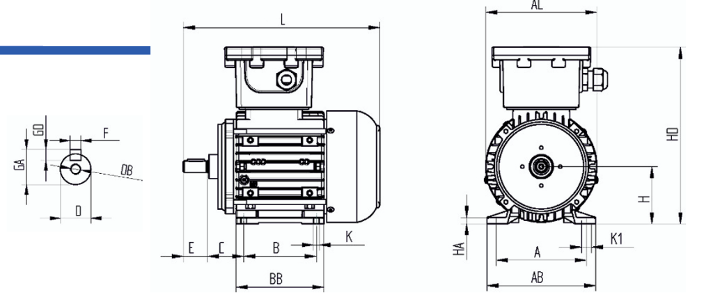
Серия IM B3

L

AC

H

HD

HA

A

AB

K1

B

BB

K

C

D

E

DB

GA

FxGD

56

182

108

56

180

6

90

110

7

71

81

6

36

9

20

-

10

3x3

63

210

124

63

204

7

100

120

10

80

100

7

40

11

23

M4

12.5

4x4

71

243

138

71

220

8

112

135

12

90

109

7

45

14

30

M5

16.0

5x5

80

273

157

80

236

10

125

152

13

100

129

10

50

19

40

M6

21.5

6x6

90S

308

175

90

248

10

140

170

13

100

127

10

56

24

50

M8

27.0

8x8

90L

333

175

90

248

10

140

170

13

125

152

10

56

24

50

M8

27.0

8x8

100

375

194

100

274

10

160

192

18

140

165

12

63

28

60

M10

31.0

8x8

112

387

218

112

302

14

190

230

18

140

175

12

70

28

60

M10

31.0

8x8

132S

462

258

132

358

16

216

260

28

140

180

12,5

89

38

80

M12

41.0

10x8

132M

493

258

132

358

16

216

260

28

178

218

12,5

89

38

80

M12

41.0

10x8

Остались вопросы?

Мы свяжемся с вами в ближайшее время

Изображение оборудования
Подпишитесь на новости

Укажите, кем Вы являетесь:

Получить каталог

Укажите адрес электронной почты, куда мы направим каталог

Укажите, кем Вы являетесь:

Подпишитесь на новости

Укажите, кем Вы являетесь:

Обратный звонок

Заполните данные поля, и мы с Вами свяжемся в течение дня.

Запрос на консультацию

Связаться с представителем

Стать дилером

Если Вы - руководитель компании, занимающейся автоматизацией и/или продажей компонентов для автоматизации как основным видом деятельности и желаете обсудить вопрос торгового партнерства (представлять продукты собственных марок Промситех (INNOVARI, INNORED, INNOVERT, INNOLEVEL, INNOCONT, а также Baumer и Autonics)в своем регионе, просьба заполнить данный опросный лист

Он будет рассмотрен отделом регионального развития Промситех в течение 1-2 дней. Мы свяжемся с Вами по указанным контактным данным для обсуждения этого вопроса (Радмила Цыплина, r.tsiplina@promsytex.ru)

Заполнение опросного листа займет 10-20 минут. Опросный лист нужен для получения общего представления о деятельности Вашей фирмы для принятия решения о дальнейшей совместной работе.

Направление деятельности, краткое описание бизнеса Ассортимент товаров и услуг(продажи, инжиниринг, производство и др. , примерно в какой пропорции распределен оборот между видами деятельности)

Какой процент от Вашего оборота (из 100%) у Вас пришлось в прошлом году на область (край, республика), в которой находится Ваше предприятие?

Какой оборот у Вашей компании за прошлый год?

Какие средства Вы используете для расширения рынка сбыта и привлечения новых заказчиков?(инвестиции в рекламу, интернет, активные продажи по телефону, поездки к клиентам). Опишите основное направление активности

С какими фирмами (поставщиками, брэндами) по частотному приводу, мотор-редукторам, датчикам сотрудничаете и как долго? Сколько у Вас основных поставщиков продукции?

Есть ли собственные разработки (краткое описание)?

Количество сотрудников \ из них продавцов \ из них инженеров в фирме ?

Имеет ли управляющий (директор) техническое образование?

Есть ли у Вашего предприятия филиалы в других регионах РФ? (если есть, то в каких)

В каких отраслях промышленности Вы наиболее активны?

Какие дополнительные (к продаже/проекту) услуги Вы оказываете клиентам? (пуско-наладка, доставка, консультации/техподдержка, предоставление на испытания и т.д.) Предоставляете ли Вы клиентам особые условия по оплате (отсрочки платежа и т.п.)?

Укажите интересующие Вас товарные группы. Указываете только те, которыми планируете заниматься (продвигать) в качестве основных.

Готовы ли Вы освоить Личный кабинет дилера для самостоятельной работы с клиентом после заключения договора в течении 3-4 дней?

Оставить запрос

Заполните данные поля и мы с Вами свяжемся в течение нескольких минут

По вопросу о:

Учебный центр | Курсы и вебинары

Узнать о поступлении

Войти в личный кабинет
Спасибо за заявку!

Ваша заявка была успешно отправлена. Мы с Вами свяжемся в течение дня.

Спасибо за заявку!

Ваша заявка была успешно отправлена. Мы с Вами свяжемся в течение дня.

Спасибо за обращение!

Ваш запрос был успешно отправлен.

Спасибо за заявку!

Каталог был отправлен на указанную электронную почту.

Спасибо за заявку!

Ваша заявка была успешно отправлена. Мы с Вами свяжемся в ближайшее время.

Спасибо за заявку!

Она будет рассмотрена Дилерским отделом ПРОМСИТЕХ в течение 1-2 дней. Мы свяжемся с Вами по указанным контактным данным для обсуждения этого вопроса (Радмила Цыплина, Руководитель дилерского отдела, r.tsiplina@promsytex.ru)

Спасибо!

Спасибо за использование лицензионного ПО InnoControl!

Рады, что вы с нами!

Мы уже отбираем для вас самое интересное, чтобы вы ничего не пропустили.