ПРОМСИТЕХ — российская компания, разработчик, производитель и дистрибьютор компонентов для промышленной автоматизации.

Описание

  • Описание
  • Отличительные особенности
  • Применение
  • Технические характеристики
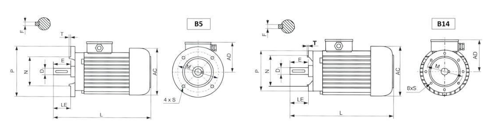
  • Габариты
  • Схемы подключения
  • Документация

Трехфазный асинхронный общепромышленный электродвигатель INNOVARI серии MB представляет собой преобразователь электрической энергии в механическую со встроенным тормозом и применяется в основном там, где мотор-редуктор стоит на виду у большого количества людей и помимо функциональных преимущества важна эстетическая составляющая оборудования.

Каталог электродвигателей с тормозом INNOVARI MB
  • Экономичные
  • Привлекательный внешний вид
  • Стабильное европейское качество
  • Большой и постоянный складской запас
  • Специальные исполнения (под заказ):
    1. двухскоростные
    2. с встроенным энкодером
    3. с встроенным термистором
    4. с встроенным преобразователем частоты (смонтирован в клеммной коробке)
    5. повышенный класс защиты от пыли и влаги IP65, IP66
    6. выступающий вал со стороны защитного кожуха крыльчатки
    7. тормоз переменного тока AC
  • Встроенный тормоз постоянного тока DC
  • Напряжение питания тормоза через выпрямительный модуль 380 VAC/220 VAC
  • Качественная обработка моторного фланца и вала, обеспечивает легкий монтаж с редуктором
  • Поверхность корпуса не окрашена, а обработана пескоструйной машиной. Это исключает недостатки покрашенных поверхностей
  • Кожух вентилятора ударопрочный металлический, выполнен из оцинкованной стали
  • Большая клеммная коробка делает удобным электромонтаж
  • Фланец B14 имеет 8 отверстий, что обеспечивает выбор взаимного положения мотора и редуктора с шагом 45°
  • HoReCa
  • Пищевое оборудование

Характеристики

Значения

Напряжение питания, В

230/400

Частота, Гц

50

Скорость вращения, об/мин

900/1400/2800

Класс изоляции обмоток

F (155ºС)

Режим работы

S1 (продолжительный),S4 (повторно-кратковременный ПВ 40%)

Класс защиты

 IP55

Исполнение фланца

 B5/B14, B35/B34 (для версии B14, B34 — 8 отверстий)

Электродвигатели 1400 об/мин

 

B5

B14

 

AC

AD

D

E

F

L

LE

M

N

P

S

T

M

N

P

S

T

56

110

112

9

20

3

216

20

100

80

120

7

3

65

50

80

M5

2.5

63

123

117

11

23

4

242

23

115

95

140

9

3

75

60

90

M5

2.5

71

140

127

14

30

5

262

30

130

110

160

9

3.5

85

70

105

M6

2.5

80

157

136

19

40

6

295

40

165

130

200

12

3.5

100

80

120

M6

3

90S

174

149

24

50

8

336

50

165

130

200

12

3.5

115

995

140

M8

3

90L

174

149

24

50

8

361

50

165

130

200

12

3.5

115

95

140

M8

3

100

192

150

28

60

8

406

60

215

180

250

12

4

130

110

160

M8

3.5

112

220

160

28

60

8

431

60

215

180

250

14

4

130

110

160

M8

3.5

132S

257

195

38

80

10

505

80

265

230

300

14

4

-

-

-

-

-

132M

257

195

38

80

10

543

80

265

230

300

14

4

-

-

-

-

--

Остались вопросы?

Мы свяжемся с вами в ближайшее время

Изображение оборудования
Подпишитесь на новости

Укажите, кем Вы являетесь:

Получить каталог

Укажите адрес электронной почты, куда мы направим каталог

Укажите, кем Вы являетесь:

Подпишитесь на новости

Укажите, кем Вы являетесь:

Обратный звонок

Заполните данные поля, и мы с Вами свяжемся в течение дня.

Запрос на консультацию

Связаться с представителем

Стать дилером

Если Вы - руководитель компании, занимающейся автоматизацией и/или продажей компонентов для автоматизации как основным видом деятельности и желаете обсудить вопрос торгового партнерства (представлять продукты собственных марок Промситех (INNOVARI, INNORED, INNOVERT, INNOLEVEL, INNOCONT, а также Baumer и Autonics)в своем регионе, просьба заполнить данный опросный лист

Он будет рассмотрен отделом регионального развития Промситех в течение 1-2 дней. Мы свяжемся с Вами по указанным контактным данным для обсуждения этого вопроса (Радмила Цыплина, r.tsiplina@promsytex.ru)

Заполнение опросного листа займет 10-20 минут. Опросный лист нужен для получения общего представления о деятельности Вашей фирмы для принятия решения о дальнейшей совместной работе.

Направление деятельности, краткое описание бизнеса Ассортимент товаров и услуг(продажи, инжиниринг, производство и др. , примерно в какой пропорции распределен оборот между видами деятельности)

Какой процент от Вашего оборота (из 100%) у Вас пришлось в прошлом году на область (край, республика), в которой находится Ваше предприятие?

Какой оборот у Вашей компании за прошлый год?

Какие средства Вы используете для расширения рынка сбыта и привлечения новых заказчиков?(инвестиции в рекламу, интернет, активные продажи по телефону, поездки к клиентам). Опишите основное направление активности

С какими фирмами (поставщиками, брэндами) по частотному приводу, мотор-редукторам, датчикам сотрудничаете и как долго? Сколько у Вас основных поставщиков продукции?

Есть ли собственные разработки (краткое описание)?

Количество сотрудников \ из них продавцов \ из них инженеров в фирме ?

Имеет ли управляющий (директор) техническое образование?

Есть ли у Вашего предприятия филиалы в других регионах РФ? (если есть, то в каких)

В каких отраслях промышленности Вы наиболее активны?

Какие дополнительные (к продаже/проекту) услуги Вы оказываете клиентам? (пуско-наладка, доставка, консультации/техподдержка, предоставление на испытания и т.д.) Предоставляете ли Вы клиентам особые условия по оплате (отсрочки платежа и т.п.)?

Укажите интересующие Вас товарные группы. Указываете только те, которыми планируете заниматься (продвигать) в качестве основных.

Готовы ли Вы освоить Личный кабинет дилера для самостоятельной работы с клиентом после заключения договора в течении 3-4 дней?

Оставить запрос

Заполните данные поля и мы с Вами свяжемся в течение нескольких минут

По вопросу о:

Учебный центр | Курсы и вебинары

Узнать о поступлении

Войти в личный кабинет
Спасибо за заявку!

Ваша заявка была успешно отправлена. Мы с Вами свяжемся в течение дня.

Спасибо за заявку!

Ваша заявка была успешно отправлена. Мы с Вами свяжемся в течение дня.

Спасибо за обращение!

Ваш запрос был успешно отправлен.

Спасибо за заявку!

Каталог был отправлен на указанную электронную почту.

Спасибо за заявку!

Ваша заявка была успешно отправлена. Мы с Вами свяжемся в ближайшее время.

Спасибо за заявку!

Она будет рассмотрена Дилерским отделом ПРОМСИТЕХ в течение 1-2 дней. Мы свяжемся с Вами по указанным контактным данным для обсуждения этого вопроса (Радмила Цыплина, Руководитель дилерского отдела, r.tsiplina@promsytex.ru)

Спасибо!

Спасибо за использование лицензионного ПО InnoControl!

Рады, что вы с нами!

Мы уже отбираем для вас самое интересное, чтобы вы ничего не пропустили.